1과목: 디지털 전자회로
1. 반가산기(half-adder)를 이용하여 전가산기(full adder)를 만드는 회로구성을 올바르게 된 것은? (단, C는 가산기의 캐리(carry)를 나타내고, S는 합을 나타내는 비트이다.) (정확한 보기 내용을 아시는분께서는 오류 신고를 통하여 내용 작성부탁 드립니다. 정답은 2번입니다.)
2. 펄스 진폭변조(PAM)와 펄스 위상변조(PPM)의 장단점을 설명한 것중 옳지 않은 것은?
3. 다음 식을 간략화하면 어떻게 표시되는가?
4. 다음과 같은 회로에서 다이오드 D1과 D2가 동시에 차단상태로 되는 조건으로 옳은 것은 ? (단, V2 >V1이다.)
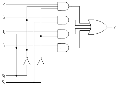
5. 그림의 논리회로를 간소화하였을 때 출력 X는?


6. 그림과 같은 회로에서 V0를 구하면 얼마인가?
7. 다음 연산증폭 회로에서 출력 V0는?




8. 그림(a)의 회로에 그림(b)와 같은 입력을 인가시 출력파형의 변곡점 값의 변화 순서는? (단, 다이오드는 이상적이며 V R1=-3[V], V R2=+4[V], R=10[㏀])(문제 복원 오류로 그림이 없습니다. 정다은 1번입니다. 정확한 그림 내용을 아시는분 께서는 자유게시판을 통하여 신고 부탁 드립니다.)
9. 그림과 같은 교류적 등기회로로 표시되는 발진회로의 발진주파수는?




10. 그림의 궤환회로에서 궤환을 안했을 때 중역대 주파수에서의 전압 이득 Avo=-500, 궤환율 β=-0.05, 신호 전압 Vs= 0.1[V]이면 궤환했을 때의 전압이득 Avof은 얼마인가?
11. 다음의 발진회로에서 다이오드D의 역할은?
12. 다음의 Karnaugh도로 주어진 함수를 최소의 곱의 합함수로 만든 것은?




13. 그림과 같은 브리지 정류회로에 관한 설명 중 틀린 것은?
14. 그림과 같은 회로에서 CR이 충분히 클 때 입력단자 A, B에 그림과 같은 구형파 전압을 입력시키면 출력단자 C, D에서 볼 수 있는 파형은? (정확한 보기 내용을 아시는분께서는 오류 신고를 통하여 내용 작성부탁 드립니다. 정답은 1번입니다.)
15. 전력 증폭기의 종류가 아닌 것은?
16. 평형 변조회로의 목적은?
17. 연산증폭기를 이용한 아날로그컴퓨터(analog computer)의 구성요소로서 부적당한 것은?
18. 비동기식 모드(mode)-13 계수기를 만들려면 몇 개의 플립플롭이 필요한가?
19. 다음 로직회로(logic circuit)의 출력은?

20. 다음 중 불연속 레벨 변조에 해당되는 것은?
2과목: 무선통신 기기
21. 정류 부궤환 회로의 장점에 대한 설명으로 틀린 것은?
22. 무선 통신용 송신기에서 입력신호를 변조(Modulation)하는 가장 타당한 이유는?
23. 중화회로에 대한 설명으로 맞지 않는 것은?
24. 다음은 벡터 합성법에 의한 FM송신기에 대한 설명이다. 합당치 않은 것은 어느 것인가?
25. 다음 회로의 명칭은?
26. 전파계로는 강전계의 전파는 측정할 수 있으나 미약한 전파의 전계는 측정이 곤란하다. 그 이유로 적당한 것은?
27. 다음 중 정류회로의 올바른 구성은?
28. 통신방식중 frequency division duplexing이란?
29. 다음은 BPF 필터의 사용상 또는 설계상 주의할 점을 나타낸 것이다. 잘못 설명한 것은 어느 것인가?
30. 위성의 자세를 제어하기 위해서는 3개의 기준축이 설정된다. 이에 속하지 것은?
31. 무선 송신기의 송신 주파수 변동을 감소시키기 위한 대책이 아닌 것은?
32. 슈퍼헤테로다인 수신기에서 스퓨리어스 레스폰스(spurious response)의 주된 원인은?
33. 레이다에서 발사된 펄스 전파가 8(㎲)후에 목표물에서 반사되어 되돌아 왔다. 목표물까지의 거리는?
34. FM수신기에서 이득이 12(dB), 잡음지수가 1.3(dB)인 증폭기 후단에 이득이 8(dB), 잡음지수가 1.5(dB)인 또다른 증폭기가 있다. 이 수신기의 종합 잡음지수는?
35. 오실로스코프(Oscilloscope)의 수직축과 수평축 입력에 주파수와 진폭이 같고 위상이 180°다른 전압을 가했을 때 나타나는 리서쥬도형(Lissajous Pattern)은?
36. PM을 등가 FM으로 만들기 위하여 사용되는 회로는?
37. 수퍼헤테로다인 수신기에서 단말 조정은 왜 필요한가?
38. FSK 방식의 특징이 아닌 것은?
39. 수퍼헤테로다인 수신기에서 BFO(Beat Frequency Oscillator)를 사용하는 목적은?
40. 그림과 같이 고주파 증폭기의 이득이 15[dB], 변화 이득이 -1.5[dB]의 수신기에 15[㎂]의 고주파 전압을 가하였더니 검파기로 가는 출력이 1.5[V]가 되었을 때, 중간주파 증폭기의 이득은?
3과목: 안테나 공학
41. 태양의 폭발에 의해 방출된 자외선이 E층의 전자밀도를 증가시켜 통신을 불가능하게 만드는 현상은?
42. 파라볼라 안테나의 절대이득을 계산하는 식은? (η: 개구 효율, D : 파라볼라의 직경, λ : 파장)
43. 1/4 파장의 수직 접지 안테나에 200[W]의 전력이 공급되고 있을 때, 최대방사 방향으로 1[km] 떨어진 점의 전계강도는 얼마인가? (단, 안테나 효율은 78.5[%], 대지는 완전 도체의 평면)
44. 지구의 실제반경을 r, 등가지구반경을 R, 등가지구 반경계수를 K라고 할 때, 이들은 어떤 관계식을 갖는가?

45. 진행파에 관한 특징으로서 옳지 않은 것은?
46.
인 안테나 근방에서의 주된 전계는? (단, r : 안테나에서 관측점까지의 거리)
47. 호온안테나의 설명 중 잘못된 것은?
48. 복사전력밀도가 최대복사 방향의 1/2로 감소되는 값을 갖는 각도로 지향특성의 첨예도를 표시하는 것은?
49. 도선을 원형 또는 직사각형등으로 1회 이상 감은 것으로 중파의 방위측정에 사용하는 안테나는?
50. 특성 임피던스가 50[Ω]인 동축선로와 부하저항 40[Ω]을 1/4 파장 선로를 써서 임피던스 정합코자 할 때 이 1/4파장선로의 특성 임피던스는 얼마인가?
51. 다음 중 길이가 1[m]인 λ/4 수직접지 안테나의 실효높이는?
52. 다음 동조급전선에 관한 설명 중 적당하지 않은 것은?
53. 전파가 전리층에 들어갔을 대 일어나는 현상과 거리가 먼 것은?
54. 극초단파(마이크로파)의 급전선으로 도파관을 사용하는 가장 큰 이유는?
55. 장중파대용 안테나로서 진행파만 존재하는 것은?
56. 급전선을 통과하여 부하에 공급되는 전력은 파동 임피던스 Z0, 선로의 정재파비 S, 정재파의 루우프(loop)정의전류 I를 사용하면 어떻게 표시할 수 있는가?
57. 슈퍼 턴스타일 안테나(super turnstile antenna)와 슈퍼게인 안테나(super gain antenna)의 설명 중 잘못 된 것은?
58. 초단파대 이상 통신에 사용되는 안테나로 부적당한 것은?
59. 안테나의 고유주파수를 높이기 위한 가장 적당한 방법은?
60. 마이크로웨이브(microwave) 통신의 장점이 아닌 것은?
4과목: 무선통신 시스템
61. 위성국 중계장치의 종류로 적합하지 않은 것은?
62. 대기중 H2O에 의한 전파의 흡수감쇠가 가장 큰 주파수대역은 몇[GHZ]대역인가?
63. 우리나라 TV 방송국의 한 채널분 대역폭은?
64. 주파수의 효율적인 이용과 관계가 가장 먼 것은?
65. 무선통신의 주파수특성에 관한 설명으로 가장 적합한 것은?
66. 무선통신망을 설계시 네트워크의 구성 요소로서 신호를 송신기에서 수신기까지 전달하는 전송로와는 거리가 먼 것은?
67. 가로폭이 39[cm]인 TV수상기에서 올바른 상의 우측 3[cm]위치에 고우스크[ghost]현상이 나타날 경우, 직접파와 반사파의 통로차는 얼마 정도인가? (단, 하나의 수평주사기간은 52[㎲]이다.)
68. MICRO파 다중 통신 방식에서 무급전 중계 방식의 설명 중 잘못된 것은?
69. 스미스 도표에서 알 수 없는 것은?
70. CDMA(Code Division Multiple Access) 방식의 장점이 아닌 것은?
71. 통신망설계에 있어 기본설계내용에 포함되지 않는 것은?
72. 한 전송선로의 데이터 전송시간을 일정한 시간 구간으로 나누어 각부채널에 차례로 분배함으로써 몇 개의 저속부채널이 한 개의 고속 전송선을 나누어 이용하는 다중화방식은?
73. 시분할 다중화(TDM) 방식인 디지털 통신(PCM)방식의 장점으로 적합하지 않은 것은?
74. 무선통신에 사용되는 안테나는 주파수 종류에 따라 안테나 종류도 다양한데 이중 상호간 맞게 연결된 것은?
75. 무선통신방식의 최대 결점으로 보는 것은?
76. AM 수신기의 선택도를 향상시키기 위한 방법은?
77. 위성통신용으로 가장 많이 이용되는 전파는?
78. INTELSAT 시스템에서 현재 많이 사용되고 있는 방식은?
79. 셀룰라통신에서 셀재사용률 K = 7이며, 6 sectorizing 배치를 할 때 총 sector 수는?
80. 셀(cell)방식의 이동통신에서 문제점으로 가장 영향이 적은 것은?
5과목: 전자계산기 일반 및 무선설비기준
81. ALU가 수행하는 연산이 아닌 것은?
82. 휴대국의 무선설비 기준이 아닌 것은?
83. 외국의 법인이 개설할 수 있는 무선국은?
84. 다음 무선국중 허가의 유효기간이 3년인 것은?
85. 송신 공중선의 형식과 구성에 적합하지 아니한 것은?
86. 다음 중 시뮬레이션에 가장 편리한 고급 언어는 무엇인가?
87. 무선국 허가증의 기재사항이 아닌 것은?
88. 전파형식 J3E의 법정 점유 주파수 대여폭의 허용치는?
89. 자기테이프의 시작점으로부터 4-5mm의 위치에(자성 면과는 반대면) 알루미늄판을 붙여 데이터의 기록 시작점을 나타내는 것은?
90. 다음 10진수 456을 BCD(8421)코드로 표시하면?
91. 전자계산기에서 보수(Complement Number)를 쓰는 이유 중 옳은 것은?
92. 다음 회로의 명칭은?
93. 산술연산 결과값이 오버플로가 일어났을 때 제어의 흐름이 계속되지 않고 고정된 기억위치로 스위치 되어 오버플로에 대한 적절한처리를 하도록 하는 것은?
94. 다음 중 소프트웨어 프로그램이 아닌 것은?
95. 송신기의 보호장치와 직접적인 관계가 없는 것은?
96. 수치적 자료표현이 아닌 것은?
97. 전자파장해기기의 전자파장해방지기준은 누가 정하여 고시하는가?
98. 중앙처리장치의 기능이 아닌 것은?
99. 무선국의 무선설비중 형식등록 대상기기가 아닌 것은?
100. F3E156 MHz 내지 162 MHz 주파수의 전파를 사용하는 국제 해상이동업무의 무선국의 무선설비조건이다.틀린 것은?
① [기본 공식] $L = \text{양항비} \times H$
② [숫자 대입] $L = 10 \times 2000$
③ [최종 결과] $L = 20000$