1과목: 수처리공정
1. 수처리제의 기준과 규격 및 표시기준에 따른 살균ㆍ소독제가 아닌 것은?
2. 플록에 관한 설명으로 옳지 않은 것은?
3. 침전지 운영에 관한 설명으로 옳지 않은 것은?
4. 급속여과지에 관한 설명으로 옳은 것은?
5. 급속여과지의 세척에 관한 설명으로 옳지 않은 것은?
6. 급속여과법의 여재에 관한 설명으로 옳은 것을 모두 고른 것은?
7. 염소요구량이 3.4 mg/L인 처리수의 잔류염소량이 0.6 mg/L이고 염소투입량이 10 kg/day일 경우 처리수량(m3/day)은?
8. 현장제조염소에 관한 설명으로 옳지 않은 것은?
9. 자외선(UV) 소독에서 박테리아나 바이러스에 살균력을 갖는 주파장(nm)은?
10. 정수지에 관한 설명으로 옳지 않은 것은?
11. 정수시설에서 사용되는 여과지의 방식이 나머지 셋과 다른 하나는?
12. 전염소처리의 주 목적으로 옳은 것은?
13. 액화염소 저장시설에서 안전관리로 옳은 것을 모두 고른 것은?
14. 탈수 슬러지의 재활용 방안이 아닌 것은?
15. 배출수 처리에 관한 설명으로 옳지 않은 것은?
16. 함수율 97 %인 슬러지를 농축하여 함수율을 95 %로 낮추었다. 이때 슬러지의 부피감소율(%)은? (단, 슬러지의 비중은 1.0으로 한다.)
17. 배오존 처리방법이 아닌 것은?
18. 정수처리공정에서 수질오염물질별 처리방법이 옳지 않은 것은?
19. 오존과 산화제 등을 동시에 반응시켜 OH 라디칼의 생성을 가속화하여 유기물질들을 처리하는 고도산화법(AOP)이 아닌 것은?
20. 맛ㆍ냄새 원인물질의 생물학적 발생원이 아닌 것은?
2과목: 수질분석 및 관리
21. 수질오염공정시험기준에서 용어에 관한 설명으로 옳은 것은?
22. 먹는물수질공정시험기준의 정도보증/정도관리에서 “정확도”에 관한 설명이다. ( )안에 들어갈 용어는?
23. 원수를 응집처리하기 위한 자-테스트(jar-test)에 관한 설명 중 옳은 것은?
24. 먹는물수질공정시험기준에서 규정하고 있는 총대장균군과 분원성대장균군을 시험관법으로 분석할 때 사용하는 배양기의 배양온도를 순서대로 바르게 나열한 것은?
25. 어느 지역 정수장의 정수지에서 잔류염소의 농도가 0.5 mg/L이고 소독제의 접촉시간이 2시간이었다. 바이러스에 대한 CT요구값이 6일 때 이 정수지에서의 불활성화비는?
26. 수질오염공정시험기준상 적용가능한 질산성 질소 측정방법으로 옳지 않은 것은?
27. 정수처리과정에서 오존처리법에 관한 설명으로 옳지 않은 것은?
28. 분말활성탄처리의 장점에 관한 내용으로 옳지 않은 것은?
29. 하천법에서 규정하고 있는 국가하천기준에 관한 내용으로 옳지 않은 것은?
30. 먹는물 수질기준 및 검사 등에 관한 규칙에서 먹는물의 수질기준으로 옳지 않은 것은?
31. 정수장 침전지에서 제거율을 향상시키는 방법으로 옳지 않은 것은?
32. 먹는물관리법령상 “먹는물 등의 수질 관리”에 관한 내용으로 옳지 않은 것은?
33. 식종하지 않은 시료 40 mL를 BOD병에 주입한 후 희석수를 가하여 300 mL로 맞추어 실험하였다. 15분간 방치 후 측정한 DO는 9.5 mg/L, 20 ℃에서 5일 배양 후 측정한 DO는 5.0 mg/L이었다면 이 시료의 BOD(mg/L)는? (단, 소수점 둘째짜리에서 반올림함)
34. 먹는물수질공정시험기준상 증발잔류물 측정에 관한 내용으로 옳지 않은 것은?
35. 수질 및 수생태계 보전에 관한 법령상 상수원 구간의 조류경보 발령기준 중 경계기준에 해당 되는 것은?
36. 수도법령상 정수처리한 물의 탁도 등의 기준과 검사의 항목, 주기 및 방법에 관한 설명으로 옳은 것은?
37. 먹는물수질공정시험기준상 총대장균군 시험방법으로 옳지 않은 것은?
38. 먹는물 수질기준 및 검사 등에 관한 규칙상 수도꼭지에서의 검사 중 정수장별 수도관 노후지역에 대해 매월 1회 이상 실시해야 하는 검사항목으로 옳지 않은 것은?
39. 먹는물수질공정시험기준에서 염소이온 측정법, 정량범위(mg/L) 및 정밀도(% RSD)를 순서대로 바르게 나열한 것은?
40. 수도법령상 일반수도사업자가 준수해야 할 정수처리기준에 관한 설명으로 옳은 것은?
3과목: 설비운영(기계·장치 또는 계측기 등)
41. 펌프 관로계의 수격작용을 완화시키는 압력상승경감법으로 옳지 않은 것은?
42. 정수장 수ㆍ변전설비의 차단기 정격전압이 22.9 kV이고 정격차단전류가 7.5 kA인 경우 차단기의 정격차단용량(MVA)은 약 얼마인가?
43. 정수설비 운용을 위한 수전계획시 고려해야 할 사항으로 옳지 않은 것은?
44. 정수장에서 전기안전 사고를 예방하기 위해 수행한 내용으로 옳지 않은 것은?
45. 정수장의 변압기 설치시 고려 사항으로 옳지 않은 것은?
46. 산업안전보건에 관한 규칙에 따라 감전방지용 누전차단기 설치기준에 관한 기계ㆍ기구로 옳지 않은 것은?
47. 산업안전보건법령상 중대재해 기준에 관한 설명으로 옳지 않은 것은?
48. 산업안전보건법령상 자율검사프로그램을 인정받기 위한 충족 요건으로 옳지 않은 것은?
49. 계측제어설비에 대한 안전대책으로 옳지 않은 것은?
50. 무정전전원설비 계획시 고려할 사항 중 옳은 것을 모두 고른 것은?
51. 중앙제어반 및 COS(Central Operation Station)에 관한 설명으로 옳은 것은?
52. 수질계측에 관한 설명으로 옳지 않은 것은?
53. 해수담수화를 위한 역삼투막설비의 구성으로 옳지 않은 것은?
54. 약품저장설비의 용량기준에 관한 설명으로 옳은 것은?
55. 플록형성지에 관한 설명으로 옳은 것을 모두 고른 것은?
56. 완속여과지에 관한 설명으로 옳은 것은?
57. 원수에서 비소를 흡착처리로 제거하기 위하여 사용되는 약품으로 옳지 않은 것은?
58. A 정수장에서 정수한 물에 이상한 맛과 냄새가 발생하였다. 운영부서장이 이 문제를 해결하는 방법으로 옳은 것을 모두 고른 것은?
59. 오존처리에 관한 설명으로 옳지 않은 것은?
60. 펌프토출량 95 m3/min, 전양정 55 m, 모터출력 1000 kW의 운전조건에서 펌프효율(%)은 약 얼마인가? (단, 비중은 1이며 여유율은 무시한다.)
4과목: 정수시설 수리학
61. 물리량의 차원으로 옳은 것은?
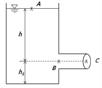
62. 베르누이 정리에 관한 설명으로 옳지 않은 것은?
63. 압력을 가하면 부피가 줄어들고, 압력을 제거하면 다시 원래의 상태로 돌아가는 물의 성질은?
64. 관수로의 마찰손실에 관한 설명으로 옳지 않은 것은?
65. 다음 그림에서 베르누이 정리를 옳게 적용한 것은? (단, vA, vB, vC 및 PA, PB, PC 는 각각 A, B, C 지점의 유속과 압력이며, w0는 물의 단위중량, g는 중력가속도이다.)




66. 가득차서 흐르는 원형관에 대한 Manning 공식의 조도계수 n과 마찰손실계수 f와의 관계식으로 옳은 것은?
67. 직경 0.5 m의 관속에 10 m 구간사이를 5.0 m3/sec 의 유량이 흐른다. 2 m 의 손실수두가 발생할 때 마찰손실계수는 약 얼마인가?
68. 내경 10 cm의 원형관에 유량 20 cm3/sec 의 물이 흐르고 있을 때, 레이놀즈수(Re)와 흐름의 상태는? (단, 물의 온도는 15℃이며, ν=1.146×10-2cm2sec)
69. 반경 0.5 mm인 이슬방울이 3 gf/cm2의 외력을 받고 있다면 표면장력(gf/cm)은 약 얼마인가? (단, 이슬방울의 형상은 완전한 구체로 본다.)
70. 직경 50 cm인 주철관에 유량 0.4 m3/sec의 물이 2 km를 흐른다면 마찰손실수두(m)는 약 얼마인가? (단, 마찰손실계수는 0.018 이다.)
71. 침전지의 유입유량이 120 m3/min, 용량 6,000 m3, 유효수심이 4 m일 때 침전지의 표면부하율(m/day)은?
72. 직경 4 m의 원통형 여과지에서 역세척을 매일 20 L/m2ㆍsec로 10분간 실시한다. 소요되는 역세척 수량(m3/day)은 약 얼마인가?
73. 폭 4 m 높이 3 m의 직사각형 개수로에 수심 2 m의 물이 흐를 때 동수반경(m)은?
74. 폭 2 m 직사각형 수로에 수심 1 m로 10 m3/sec의 유량이 흐를 때, 이 흐름의 프루드수(Froude number)는 약 얼마인가?
75. 관내 수압 200 kg/cm2, 관내경 100 mm, 강관의 허용인장응력 10,000 kg/cm2일 때, 강관의 최소두께(mm)는?
76. 원형관에서 일반적으로 단면적당 최대유량 조건은?
77. 구형의 입자가 독립적으로 침강하는 속도를 나타내는 법칙은?
78. 개수로의 평균유속 공식이 아닌 것은?
79. 관수로의 유속 측정 장치로 옳은 것을 모두 고른 것은?
80. 관수로 흐름에서 발생하는 미소손실에 관한 설명으로 옳지 않은 것은?