1과목: 디지털전자회로
1. 다음 중 DPCM 송신기의 구성 요소가 아닌 것은?
2. 4진 PSK의 반송파 간의 위상차는 몇도인가?
3. 다음 중 분리된 별도의 클록 신호선 없이 본래 정보 신호의 소스데이터에서 동기화 클록을 추출할 수 있는 라인 코드는 무엇인가?
4. 수정 발진회로에서 수정 진동자의 전기적 직렬 공진 주파수를 fs, 병렬 공진 주파수를 fp라 할 때, 가장 안정된 발진을 하기 위한 조건은?(단, fo는 발진주파수이다.)
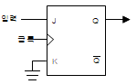
5. J-K플립플롭을 이용하여 T플립플롭을 구현한 것으로 옳은 것은?




6. 다음 식과 같이 주어지는 논리식을 불 대수를 적용하여 간략화한 것은?


7. 다음 중 연선의 커에블 외부 피복에 실드의 망을 감싸고 있는 케이블로 외부의 잡음 차폐와 접지 역할을 하는 케이블로 전기적 신호의 간선에 강한 케이블은?
8. 동축케이블이 꼬임 쌍선 구리 케이블에 비해 잡음에 강한 이유로 가장 적합한 것은?
9. 다음 중 전파의 발생에 대한 설명으로 틀린 것은?
10. 4,800[bps] 전송속도로 30분간 데이터를 전송하였을 때 최대 비트 에러율이 2×10-5이었다면 에러 발생 비트 수는 몇 비트인가?
11. 다음 중 비디오 신호 전송 시 발생하는 오류수정 기술인 FEC(Forward Error Correction) 에러제어 방식에 대한 설명으로 틀린 것은?
12. 다음 데이터의 전송방식 중 혼합형 동기식 방식에 대한 설명으로 옳은 것은?
13. 다음 중 OFDM 방식에 대한 설명으로 틀린 것은?
14. 최대전력대 평균전력비(PAPR)의 특성으로 인한 단말 전력증폭기의 부담을 개선하기 위한 다중접속 방식은?
15. 다음 중 TDMA에 대한 설명으로 틀린 것은?
16. 컴퓨터 데이터 통신 전송제어 방식인 HDLC에서 비트 스터핑(Bit Stuffing)을 행하는 목적은?
17. 다음 중 비트동기 전송방식에 대한 설명으로 틀린 것은?
18. 광섬유 기반의 광통신 시스템에서 전송 거리를 제한하는 가장 중요한 원인은?
19. 정재파 전하브이 최솟값이 20[V], 최댓값이 40[V]인 선로에서 반사계수는?
20. 다음 중 정현파 신호에 대한 설명으로 틀린 것은?
2과목: 정보통신기기
21. 일반적인 디지털 통신시스템의 정보 단말기에 대한 설명으로 틀린 것은?
22. 디지털 케이블방송의 모뎀에서 64-QAM으로 변조할 경우 64-ary(또는 심볼)는 몇 비트로 구성되는가?
23. 다음 중 DSU와 CSU에 대한 설명으로 틀린 것은?
24. 다음 중 네트워크 시스템의 집중화기에서 프로그램 제어형 다수선로제어기(MLC)의 설명으로 틀린 것은?
25. 휴대용 전화기의 수신부 맨 앞단에 위치하며, 수신부 전 경로에 영향을 주는 잡음비율을 낮추고 수신대역만을 선택하여 수신감도를 증대시키는 장치는?
26. 다음 중 재난안전통신망(PS-LTE)의 단말기 기능으로 틀린 것은?
27. 다음 중 이동통신기기의 근거리 무선통신방식 중 전송거리 10[cm]이내까지 읽기·쓰기가 가능한 통신방식은?
28. 다음 중 통신시스템의 통신단말 인증 분류에 해당하지 않는 것은?
29. 다음 중 CATV의 구성요소가 아닌 것은?
30. 다음 중 멀티미디어 제작시스템이 기본적으로 갖추어야 할 기능이 아닌 것은?
31. 행정·공공기관 영상회의시스템 상호연계 기술 표준규격 중 영상회의시스템의 전송장비와 제어장비가 틀리게 연결된 것은?
32. 다음 중 영상회의시스템의 호처리 프로토콜은?
33. 다음 중 홈네트워크 사용기기 설치 시 설치기준에 적합하지 않은 것은?
34. 다음 중 협대역 사물 인터넷(NB-IoT)의 설명으로 틀린 것은?
35. 현실의 이미지에 가상의 부가정보를 실시간으로 덧붙여 향상된 현실을 보여주는 기술은?
36. 가상현실의 실제성을 평가하기 위해 Shubert 등이 제시한 가상실제감을 구성하는 세가지 하위 요인이 아닌 것은?
37. 다음 중 이동통신 기술인 Massive IoT(Internet of Things)에 대한 설명으로 틀린 것은?
38. 동영상 및 데이터 정보를 실시간 전송하는 인터넷 방송의 주요 기술이 아닌 것은?
39. 비압축 방식의 디지털 비디오/오디오 인터페이스 규격은?(오류 신고가 접수된 문제입니다. 반드시 정답과 해설을 확인하시기 바랍니다.)
40. 국선 배선반과 초고속 통신망 장비 등 각종 구내 통신용 설비를 설치하기 위한 공간은?
3과목: 정보전송개론
41. 다음 중 광역 통신망(WAN)에 대한 설명으로 틀린 것은?
42. OSI 계층 중 네트워크층에 대한 설명으로 틀린 것은?
43. IP 주소 체계 중 C Class에서 네트워크 하나의 최대 호스트 ID 수는?
44. 다음 중 UDP의 프로토콜 이름과 일반 사용(Well-Known) 포트 연결로 틀린 것은?
45. 데이터링크 계층에서 사용되는 전송 메카니즘인 이더넷 프레임에 사용되는 MAC(Media Access Control)주소의 길이는?
46. 각 노드에서 발생한 송신 요구가 충돌을 일으킬 경우, 재전송하거나 충돌 회피를 위해 CSMA/CD 방식을 사용하는 LAN의 형태(Topology)는?
47. VLAN은 OSI 참조모델 7계층 중 어느 계층에 속하는 기술인가?
48. 다음 중 라우팅 정보 프로토콜(RIP: Routing Information Protocol)의 단점이 아닌 것은?
49. 다음 중 네트워크 장비인 라우터에 대한 설명으로 틀린 것은?
50. 다음 중 100Base-TX의 이더넷 규격에서 이용하는 케이블은?
51. 다음 중 HFC(Hybrid Fiber Coaxial) 망 구성에서 동축케이블 구간 전송장비가 아닌 것은?
52. 다음 중 광통신망의 SONET 프레임 구조의 설명으로 옳은 것은?
53. 다음 중 위성통신을 이용한 통신서비스로 부적합한 것은?
54. 다음 중 정지 위성통신에 대한 설명으로 틀린 것은?
55. C-ITS(Cooperative Intelligent Transport System)에서 V2X(Vehicle to Everything Comunication) 통신의 종류가 아닌 것은?
56. 유선 네트워크 환경에서 ARQ(Automatic Repeat Request) 오류제어 기법을 적용하였다. 다음 그림이 설명하는 ARQ 기법은?
57. 다음 중 211.174.179.0/255.255.255.192의 서브넷에서 네트워크의 범위가 아닌 것은?
58. 전파나 케이블이 아닌 범용 인터넷망으로 각종 영상 콘텐츠를 제공하는 서비스는?
59. 인터넷의 웹서버와 사용자 인터넷 브라우저 사이에 문서를 전송하기 위해 사용되는 통신규약과 웹 문서를 작성하기 위해 사용하는 언어를 순서대로 바르게 나열한 것은?
60. PSTN(Public Switched Telephone Network) 방식의 전화 통신망에서 PBX(Private Branch Exchange)의 구성요소가 아닌 것은?
4과목: 전자계산기일반 및 정보설비기준
61. 다음 중 메모리 소자인 DRAM의 설명으로 틀린 것은?
62. 다음 중 일반 범용 컴퓨터 시스템에 사용되는 기억장치의 접근속도가 빠른 것부터 차례대로 나열된 것은?
63. 다음 중 일반 범용 컴퓨터에서 입출력장치와 같은 주변장치는 중앙처리장치에 비해 처리속도가 느리기 때문에 발생하는 대기시간을 줄이기 위해 고안한 기법은?
64. 다음 중 일반 범용 컴퓨터에서 선택된 입출력 장치의 입출력 동작이 완료될 때까지 어느 한 입/출력 장치의 전용인 것처럼 운영되는 채널은?
65. 다음 중 32비트 컴퓨터에서 8[Full Word]와 6[Nibble]은 각각 몇 비트인가?
66. 프로그램 개발 시 소프트웨어 위험관리에서 정성적 위험분석 시 위험값을 계산하기 위한 요인으로 맞는 것은?
67. 현재 메모리의 분할 상태가 다음과 같을 때, 크기가 100[KB]인 작업을 최적적합(Best Fit) 기법에 의해 할당한다면 어느 위치에 적재되는가?
68. 사설 IP를 사용하여 인터넷에 접속할 때 공인 IP 주소와 상호변환하는 역할을 하는 것은?
69. IP주소 203.10.24.27이고 호스트의 마스크는 255.255.255.240이다. 이 서브넷에서 사용 가능한 호스트의 주소는 몇 개인가?(네트워크 주소와 브로드캐스트 주소 포함)
70. 다음 중 네트워크상을 흘러 다니는 트래픽을 엿보는 보안공격은?
71. 다음 보기의 설명에 대한 보안기술은 무엇인가?
72. 다음 중 시스템간에 데이터를 옮기기 위한 데이터 전환 계획에 대한 설명응로 틀린 것은?
73. 사용자는 언제, 어디서나, 어떤 단말을 통해서든 원하는 만큼의 IT 서비스를 이용하고, 사용량에 따라 비용을 지불하는 IT 사용 방식을 무엇이라 하는가?
74. 다음 [보기]의 괄호 ( )안에 들어갈 용어로 적합한 것은?
75. 다음 보기는 감리 용어에 대한 정의내용이다. 보기 괄호( ) 안에 들어갈 내용으로 맞는 것은?
76. 다음 중 클라우드 컴퓨팅 서비스 제공자가 지체 없이 해당 이용자에게 사실을 알려야 하는 경우가 아닌 것은?
77. 방송통신표준화의 추진, 권고에 관한 권한을 방송통신위원회로부터 위임받은 자는?
78. 다음 중 정보통신공사업법에서 정한 정보설비공사에 속하지 않는 것은?
79. 다음 중 공사감리 후 감리결과 보고서에 들어갈 항목이 아닌 것은?
80. 다음 중 방송통신발전기본법 위반에 따른 과태료 부과로 틀린 것은?