1과목: 기계제작법
1. 다음 중 높은 용융점의 금속에 가장 부적당한 주조 방법은?
2. 지름 20mm의 드릴을 이용하여 26m/min의 절삭속도와 0.1 mm/rev의 이송으로 깊이 100 mm인 구멍을 뚫는데 소요되는 시간은 얼마인가? (단, 드릴의 원추 높이는 5.4 mm이다.)
3. 다음 중 구멍의 내면을 가장 정밀하게 가공하는 방법은?
4. 다음 중 각도측정에 사용되는 측정기는?
5. 순철의 자기(磁氣)변태점은?
6. 다음은 가공변질층에 관한 설명이다. 틀린 것은?
7. 프레스 작업(press working) 가공방식이 아닌 것은?
8. 선반의 전 소비동력(N)은 다음 중 3가지 동력을 합한 것이다. 이 3가지에 해당하지 않는 것은?
9. 다음 중 이음매 없는 강관을 제조하는 방법은?
10. 두께가 2mm인 연강판에 펀칭 프레스로 지름 20mm의 구멍을 뚫을 때 필요한 힘은 약 얼마인가? (단, 전단응력은 20kgf/mm2 이다.)
11. 구성인선(built-up edge)을 감소시키기 위한 방법으로 틀린 것은?
12. 가공의 영향으로 생긴 스트레인이나 내부 응력을 제거하고 미세한 표준조직으로 기계적 성질을 향상시키는 열처리법은?
13. 강판재에 곡선 윤곽의 구멍을 뚫어서 형판(template)을 제작할 때 다음 중 가장 적합한 가공법은?
14. 다음의 프레스가공 방식 중 굽힘가공에 해당하는 것은?
15. 주물사에 가장 많이 포함된 주성분은?
16. 가는 선(細線)의 접합이나 특수한 이중 금속 간의 접합에 극히 유용하며, 발진기, 진동자, 지동전달기구, 용접팀, 가압기 및 자동제어장치 등을 이용하는 용접법은?
17. 소성가공에 속하지 않는것은?
18. 18-4-1계 고속도강에서의 18의 의미는?
19. 용접에서 가스 가우징(gas gousing) 이란?
20. 게이지블록의 특징으로 틀린 것은?
2과목: 재료역학
21. 한 변의 길이가 4cm인 정사각형 단면의 봉이 압축하중을 받고 있다. 이 때의 수직 변형률이 0.004라면 단면적의 증가량은 얼마인가? (단, 이 재료의 포아송 비는 0.25 이다.)
22. 지름 d의 원형 단면을 가진 보의 전단력을 V라 할때 단면의 중립축에서 일어나는 최대 전단 응력을?




23. 그림과 같은 부정정보가 단순 지지단에서 모멘트 Mo를 받는다. 단순 지지단에서의 반력 R8는?




24. 단면의 도심 o를 지나는 단면 2차 모멘트 Ix는?
25. 그림에서 인장력 12kN이 작용할 때 지름 20mm인 리벳단면에 일어나는 전단 응력은 몇 MPa 인가?
26. 그림과 같은 평면 응력 상태에서 σ
27. 다음 보에서 최대 굽힘모멘트가 일어나는 곳은 좌단에서 어느 위치인가?




28. 지름 3cm인 축이 1590 rpm으로 회전하고 있다. 이 축에 발생하는 최대 전단응력이 30 MPa을 넘지 않는 범위에서 이 축이 전달할 수 있는 최대 동력은 몇 kW인가?
29. 다음 그림과 같이 균일분포 하중 ω를 받는 보에서 굽힘 모멘트 선도는?




30. 다음 그림과 같은 구조물에 힘 P가 작용할 때, A점에서의 모멘트는?



31. 그림과 같이 수평 강체봉 AB의 일단을 연직벽에 힌지로 연결하고 죄임봉 CD로 매단 구조물이 있다. 죄임봉의 단면적은 1cm2 , 허용 인장응력은 100 MPa, 탄성계수가 200 GPa 일 때 B단의 최대 안전하중은 몇 kN 인가?
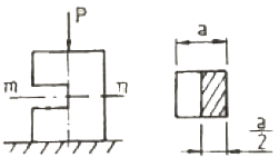
32. 지름 70mm인 환 봉에 20 MPa의 최대 전단응력이 생겼을 때의 비틀림 모멘트는 몇 N · m 인가?
33. 정사각형 단면의 짧은 기둥에 그림과 같이 측면에 홈이 파져 있다. 도심에 작용하는 하중 P로 인하여 단면 m-n에 발생하는 최대 압축응력은 홈이 없을 때 압축응력의 몇 배인가?
34. 다음 그림과 같은 균일 단면의 보 AC가 C점에서 하중 P를 받고 있을 때, C점에서의 처짐을 길이 L과 굽힘 강성 EI의 항으로 구한 것을?




35. 단면적이 10cm2인 봉을 30℃에서 수직으로 매달고 10℃로 냉각하였을 때 원래의 길이를 유지하려면 봉의 하단에 몇 kN의 하중을 가하면 되는가? (단, 탄성계수E = 200 GPa, 열팽창계수 α=1.2×10-5/℃, 자중에 의한 산장량은 무시한다.)
36. 그림과 같은 단주에서 편심거리 e에 압축하중 P=80kN이 작용할 때 단면에 인장력이 생기지 않기 위한 e의 한계는 몇 cm 인가?
37. 길이가 L이고 탄성계수가 E인 봉에 인장하중 P가 작용하여 하중이 작용한 방향으로 변형량 λ가 발생되었다면 이 때 이 봉의 단면적은 어떻게 표현되겠는가?




38. 스트레인 게이지를 이용하여 물체 표면(x - y평면)상의한 점에서 측정한 변형률 성분들이 ɛx =150×10-4 ,ɛy=-200×10-6, rxy=-100×10-6이다. 이 점에서의 수직응력 σx는 몇 MPa 인가? (단, 탄성계수 및 포아송비는 E=200 GPa, μ=0.3이다.)
39. 선형 탄성재료의 전단 탄성게수가 G이고 탄성계수가 E라 한다면 이 μ재료의 포아송비는 어떻게 표현되겠는가?




40. 직육면체가 일반적인 3축응력 σx, σy, σz를 받고 있을 때 체적 변형률 ɛy는 대략 어떻게 ɛy표현되는가?




3과목: 용접야금
41. 4.3%C 의 공정성분인 액체가 1130℃에서 응고하여 생기는 철-탄화철계의 공정조직으로 세링의 오스테나이트와 시멘타이트가 혼합된 조직은?
42. 용접 형상 불량 중 온점(fish eye)의 주요 원인이 되는 원소는?
43. 다음 중 산소 ·아세틸렌 가스절단이 가장 잘 되는 금속은?
44. 오스테나이트계 스테인리스강의 용접시 강이 냉각되면서 고온균열을 발생시키는 주요 원인으로 틀린 것은?
45. Mn이 탄소강에 미치는 영향이 아닌 것은?
46. 어느 방향으로 소성변형을 준 금속재료에 역뱡향으로 소성 변형을 가하면 항복점이 낮게 되는데 이 현상을 무엇이라고 하는가?
47. 퍼커션 용접(percussion welding)은 다음 중 어느 것에 해당하는가?
48. 산소-아세틸렌 가스용접에서 구리, 황동 등을 용접할 때 주로 사용하는 용접 불꽃은?
49. 피복 아크용접에서 용접전류가 260A, 용접 전압이 40V, 용접 속도가 10 cm/min 일 때 용접 임열(J/cm)은?
50. 주조시 주형에 금형 또는 칠 메탈을 붙여 필요한 부분안을 급랭시켜 경도를 증가시킨 내마모성 주철은?
51. 금속의 자기변태에 대한 설명으로 올바fms 것은?
52. 구리 및 구리 합금의 용접성에 대한 설명으로 틀린 것은?
53. S-N 곡선에 대한 설명으로 옳은 것은?
54. 저탄소강을 0~500℃ 사이에서 인장시험하면 200~300℃의 온도 범위에서 인장 강도가 매우 크게 되고 연성이 매우 작아져 취성을 나타낸다. 이것을 무엇이라 하는가?
55. 다음 중 금속결정의 격자구조가 아닌 것은?
56. 용접구조물의 제작시 예열의 목적을 잘못 설명한 것은?
57. 황이 층상으로 존재하는 강을 서브어지드 아크 용접할 때 발생하는 균열로서 저수소계 용접봉 등의 사용으로 방지가 가능한 것은?
58. 금속의 열간가공과 냉간가공을 구분하는 기준점은?
59. 연강용 피복금속 아크 용접봉의 종류 표기로 옳은 것은?
60. 다음 중 KS규격에 의한 용접 구조용 압연 강재는?
4과목: 용접구조설계
61. 판두께 10mm 의 아래보기 맞대기 용접 20cm와 판두께 22mm 수평 맞대기 용접 10cm가 있다. 이 때 환산용접길이는 얼마인가? (단, 모두가 현장용접으로 할 경우이며 판두께 10mm 아래 보기 맞대기 용접에서의 환산계수는 1.92 이고, 판두께 22mm 수평 맞대기 용접은 6.12 이다.)
62. 용접 후의 잔류응력 완화법이 아닌 것은?
63. 맞대기 완전용입 이음에서 굽힘모멘트가 9800kgf·cm일 때 최대굽힘 응력은 약 몇 kgf/cm2 정도인가? (단, 용접선의 길이 200mm, 두께 25mm이다.)
64. 인장시험편 A2호 표정거리는 몇 mm인가?
65. 필릿 용접 이음부의 루트부분에 생기는 저온균열로 모재의 열팽창 및 수축에 의한 비틀림이 주원인인 균열은?
66. 그림과 같은 용접이음에서 ℓ=150mm, h=20mm, L=60mm 굽힘응력 350N/cm2라 할 때 견딜 수 있는 하중은?
67. 용접균열시험에 속하지 않는 것은?
68. 초음파탐상법의 종류가 아닌 것은?
69. 용접 홈의 형상과 특징을 설명한 것 중 잘못된 것은?
70. 용접변형의 방지법 중 잔류응력이 가장 많이 남는 방법은?
71. 용접이음에서 내식성에 영향을 미치는 인자가 아닌 것은?
72. 저온균열과 고온균열(hot crack) 의 설명으로 맞는 것은?
73. 용접부 시험의 설명으로 맞는 것은?
74. 디음은 엔드댐에 대한 설명이다. 이중 틀린 것은?
75. 용접부에 발생하는 기공의 원인이 아닌 것은?
76. 연강의 용접이음에서 정하중이 작용할 때 안전율로 가장 적합한 것은?
77. 두께가 얇은 박판 용접에서는 잔류응력은 적으나, ( )은 크게 된다. ( )속에 적당한 말은?
78. 용접작업에서 용접봉의 용착효율을 나타내는 식은?
79. 수직으로 9000N의 힘이 작용하는 부분에 수평으로 맞대기 용접을 하고자 하는데 용접부의 형상은 판두께 6mm, 용접선의 길이 250m로 하려고 할 때 이음부에 발생하는 인장응력은?
80. 용접 변형 방지법에서 냉각법에 속하지 않는 것은?
5과목: 용접일반 및 안전관리
81. 스카핑(scarfing) 작업과 가스 가우징(gasgousing) 작업을 비교하여 설명한 것이다. 맞는 것은?
82. 용접구조물이 리벳구조물에 비하여 단점이 아닌 것은?
83. 아크용접 피복제의 역할이 아닌 것은?
84. 아크 용접에서 크레이터(crater)가 생기는 이유는?
85. 아크 용접 피복제의 주요성분이 아닌 것은?
86. 가스용접시 프로판 가스의 성질을 설명한 것으로 틀린 것은?
87. 탄산가스 아크 용접의 특성 중 틀린 것은?
88. CO2가스 아크 용접의 자동용접기에서 제어장치(control box) 가 하는 일이 아닌 것은?
89. 전자동 미그(MIG)용접에 관한 설명 중 옳은 것이 아닌 것은?
90. 대형 파이프이 원주용접을 연속적으로 아래보기 자세로 용접하기 위해 모재의 외경을 지지하면서 회전시키는 자동용접 기구는?
91. 가접시 주의하여야 할 사항으로 틀린 것은?
92. 직류용접에서 모재쪽에 양극(+)을 연결하고 용접봉에 음극(-)을 연결한 극성을 무엇이라고 하는가?
93. 다음 중 심(seam) 용접법에 해당하지 않는 것은?
94. 다음 중 용접 작업 안전에 적합하지 않은 사항은?
95. 피복아크 용접봉을 이용한 용접시 용적은 미세하며 용적수가 많은 이행 형태는?
96. 연강용 피복아크 용접의 심선재의 재료는?
97. 용접 작업 현장에서 주의할 점 중 틀린 것은?
98. 아크 용접시 발생하는 것 중 결막염이나 각막염을 일으키며 유해한 것은?
99. 교류아크 용접기의 1차 전압이 220V, 정격 2차 전류가 200A, 정격 사용률 40%, 아크 전압 35V 일 때 용접전류 180A로 용접작업을 할 경우 허용 사용률은 몇 %인가?
100. 교류아크 용접에서 무부하 전압[V]은 어느 정도인가?