1과목: 일반기계공학
1. 모듈이 4인 두 외접 스퍼기어의 잇수를 각각 30, 50이라할 때 중심거리는 몇(mm)인가?
2. 직경이 20㎝와 30㎝의 파이프가 수직으로 직결되어 있다. 직경 30㎝ 파이프 내의 유속이 3.6m/sec 이면 직경 20㎝파이프 내의 유속은 약 몇 m/sec 인가?
3. 피로한도에 영향을 미치는 인자와 가장 관계가 적은 것은 ?
4. 금속에 외력이 가해질 때, 결정격자가 불안전하거나 결함이 있으면 이동이 발생하는데, 이러한 현상을 무엇이라 하는가?
5. 판재의 두께가 정해져 있는 경우, 다음 중 압연시 소재의 폭 증가(spreading)가 가장 작게 될 수 있는 경우는?
6. 용접부의 검사법 중 시험편 내에 있는 결함에서 반사되어 오는 반응을 시간적 연관성이 있는 오실로스코프에 받아 기록하는 방법은?
7. 비금속 기계재료로 투명성이 좋고 탄성이 크며, 햇빛에 노출되어도 변색이 잘되지 않으므로 안전유리의 중간층 재료로 사용되는 열가소성 수지는?
8. 기계요소에서 KS 규격 볼트 M20의 설명으로 올바른 것은?
9. 다음 중 압력 제어 밸브가 아닌 것은?
10. 파이프 또는 봉재의 재료를 축방향으로 테이퍼 구멍같은 다이 구멍을 통과시켜며, 잡아 당겨서 다이 구멍의 최소 단면 치수로 가공하는 소성가공법은?
11. 폭 x 높이(30㎝ x 40㎝)의 단면을 가진 다음 단순보의 최대 굽힘응력은 몇 ㎏f/cm2 인가 ? (단, 보의 자중은 무시 한다.)
12. 다음 체결용 기계요소 중 조립된 보스(boss)를 축방향으로 이동시킬 수 없는 것은?
13. 끼워맞춤 공차에서 H6 g6의 설명으로 올바른 것은?
14. 공구강의 끝부분에 날을 만든 것으로 평면이나 원통면의 마무리 다듬질용 수공구인 것은?
15. 나사의 구멍을 통해 유체가 새어 나오는 것을 방지하는 너트로 가장 적합한 것은?
16. 곡률반경에 대한 설명 중 맞는 것은?
17. 유압장치 부속기기류 중 유압탱크용 필터로 가장 적합한 것은 ?
18. 인장 시험편의 시험 전의 지름이 14mm, 시험 후 절단된 지름이 12.3mm 일 때 단면 수축률은 약 얼마인가?
19. 항공기, 자동차, 공작기계 등 진동이 많이 일어나는 기계에서 나사부품이 풀리지 않게 하는 방지책이 아닌 것은?
20. 다이캐스팅(die casting) 주조법 특징으로 올바른 것은?
2과목: 유압기기 및 건설기계안전관리
21. 유압 실린더의 안지름이 20cm 이고 피스톤의 속도가 5m/min일 때 소요되는 유량은?
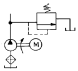
22. 유압 작동유에 혼입된 수분의 영향으로 볼 수 없는 것은?
23. 그림과 같이 펌프 출구단 직후에 릴리프밸브를 설치하여 그 최대 압력을 제한하는 회로의 명칭은?
24. 추의 낙하를 방지하기 위해서 배압을 유지시켜 주는 압력제어 밸브로 가장 적합한 것은 ?
25. 유압 시스템은 비압축성 유체를 사용한다. 다음은 비압축성 유체를 사용하기 때문에 얻어지는 유압시스템의 가장 중요한 특성인 것은?
26. 유압장치의 운동부분에 사용되는 실(seal)의 일반적인 명칭은?
27. 일반적인 유압 기계의 운전 전 점검 사항이 아닌 것은?
28. 유압 시스템의 주요 구성요소에 속하지 아니하고 부속기기로 분류되는 것은?
29. 보기와 같은 유압회로의 명칭으로 가장 적합한 것은?
30. 유압기기에 쓰여지는 베인펌프 특징 설명으로 틀린 것은?
31. 크로울러형 건설기계의 트랙을 팽팽하게(강하게) 조정 했을때 일어나는 현상이 아닌 것은?
32. 가스 용접시 아세텔렌과 접촉해도 가장 폭발할 위험이 없는 것은?
33. 리프팅체인(lifting chain)의 사용방법으로 알맞는 것은?
34. 다음 사항 중 맞는 것은?
35. 건설기계에 사용되는 작동유가 구비하여야 할 성질이다. 거리가 먼 것은?
36. 다음 굴삭기 작업 및 정비 시 안전사항 중 옳은 것은?
37. 이동식 연삭기(디스크 그라인더)의 재해 사례가 아닌 것은?
38. 다음은 건설기계정비 시 사용되는 전동공구의 선택 방법 중 적당하지 않은 것은?
39. 기계 점검시 기계의 회전상태에서 해야 하는 것은?
40. 다음 중에서 강도율 3의 뜻으로 옳은 것은?
3과목: 내연기관
41. 불꽃점화기관의 화염속도에 대한 설명이다. 가장 거리가 먼 것은?
42. 디젤기관의 연소과정 중 압력 상승율이 가장 큰 과정은?
43. 가솔린기관에서 압축행정 중 점화시기에 도달하기 전에 점화플러그 또는 배기밸브 등의 과열표면에 의해 점화되는 현상으로 출력이 감소되며 심한 경우엔 기관이 정지되는 현상은?
44. 어느 4행정사이클, 4기통 디젤엔진의 압축비가 17:1, 연소실 체적이 30cc일 때 이 엔진의 총배기량은 몇 ℓ인가?
45. 다음 중 디젤연료의 착화지연(ignition lag)에 직접적인 영향을 미치는 요인으로 틀린 것은?
46. 기관의 냉각계통에서 부동액의 구비조건으로 알맞지 않는 것은?
47. 블로다운(blow down) 기간의 정의에 맞는 것은?
48. Air Standard Otto Cycle에서 효율은 무엇에 비례하는가?
49. 체적이 0.1m3인 용기 안에 메탄(CH4)과 공기 혼합물이 들어있다. 공기는 메탄을 연소시키는데 필요한 이론 공기량보다 20%가 더 들어 있고, 연소전 용기의 압력은 300kPa, 온도는 90℃이다. 연소전 용기안에 있는 메탄의 질량은 몇 kg 인가?
50. 다음 중 내연기관의 장점에 해당되지 않는 것은?
51. 디젤 연료의 착화성과 관계 없는 것은?
52. 윤활유의 성질을 개선 향상시키기 위한 첨가제로서 적당하지 않은 것은?
53. 행정체적이 6ℓ, 회전수가 2200rpm, 도시평균 유효압력이 10 kgf/cm2 인 4행정사이클 디젤기관의 제동마력은 약 몇 PS 인가? (단, 기계 효율은 85%이다.)
54. 다음에 열거한 2행정사이클 기관의 소기방식 중 소기효율이 가장 낮은 것은?
55. 기관에서 폭발행정 이외의 행정이 수행되도록 에너지를 공급하고, 각 연소실의 폭발에 의한 토크 변동을 작게하기 위한 기능의 부품은?
56. 고속디젤기관에 적용되는 복합사이클의 열역학적인 사이클 구성으로 맞는 것은?
57. 1로터 방켈(Wankel)엔진은 주축의 회전수와 폭발회수의 관계로 본다면 다음 어떤 기관과 같은가?
58. 다음 중 디젤 노크를 방지하는 방법과 관계가 없는 것은?
59. LPG나 LNG를 사용하는 가스기관 연료장치의 구성부품 중 연료와 공기를 혼합하여 기관이 필요한 혼합기를 만드는 것은?
60. 다음 중 사이드 밸브 기관의 밸브기구와 관계가 없는 것은?
4과목: 건설기계정비
61. 건설기계의 충전장치에서 충전전류가 불안정하다. 원인에 들지 않는 것은?
62. 건설기계의 트랙이 벗겨지는 원인이 아닌 것은?
63. 공기브레이크 계통에 대한 설명 중 옳은 것은?
64. 버킷을 들어올리거나 내리기 작업을 할 때 버킷의 회전과 비틀림을 방지하면서 버킷의 방향을 정상으로 유지해 주는 역할을 하는 것은?
65. 전자제어 연료분사 장치에서 사용되는 연료압력조절기에서 인젝터의 연료분사압력을 항상 일정하게 유지하도록 조절하는 것과 직접 관계 되는 것은?
66. 압축비가 8.3, 피스톤 행정이 78mm인 4행정 4실린더 기관이 있다. 연소실 체적을 62[cm3]]라 할때 실린더 내경은 몇[mm]인가?
67. 건설기계 기관의 실린더 내경을 측정하였더니 표준치수보다 0.27mm가 마멸되었다. 보링치수는 얼마인가? (단, 표준치수(STD) : 95mm)
68. 축전지 전압이 24V 일 때 기동전동기에 120A의 전류가 흘렀다면 이 기동전동기 동력은 얼마인가?
69. 다음 사항 중 디젤기관 터보차저의 고장원인이 아닌 것은?
70. 타이어의 휠평형 검사와 마멸변형도 검사방법 중 틀린 것은?
71. 유압장치에서 릴리프 밸브는 다음 중 어느 것을 제어 하는 것인가?
72. 굴삭 적재 사이클 시간이 25초, 디퍼의 공칭 용량이 1.8[m3], 작업 효율이 0.7이고 토량 환산 계수가 0.85, 디퍼 계수 1인 파워 셔블의 작업량을 산출 하면?
73. 건설기계의 부동액(anti-freezer)으로 사용되는 에틸렌 글리콜(ethylene-glycol)의 특징으로 맞지 않는 것은?
74. 앞차륜 정열에서 토(Toe)의 조정이 되지 않았을 때 나타나는 현상이 아닌 것은?
75. 엔진의 온도가 올라가면 엔진에 있는 온도계 유닛의 저항은? (단, 부특성체 일때)
76. 해상용 건설기계인 준설선(dredger)을 준설방식에 따라 분류한 것이다. 이 중 틀린 것은?
77. 무한 궤도식 굴삭기에서 센터죠인트(터닝죠인트)는 펌프에서 공급되는 오일을 어느 회로로 연결시켜 주는가?
78. 디젤기관의 연료분사펌프에서 연료 분사량은 무엇으로 조정 하는가?
79. 연료라인의 간헐적인 막힘으로 일어날 수 있는 사항과 거리가 먼 것은?
80. 믹서트럭에 고장이 발생하여 드럼속의 콘크리트가 배출되지 않는다. 이때 응급처치 방법으로 옳은 것은?
5과목: 기계열역학
81. 다음 그림과 같이 선형 스프링으로 지지되는 피스톤-실린더 장치 내부에 있는 기체를 가열하여 기체의 체적이 V1에서 V2로 증가하였고, 압력은 P1에서 P2로 변화하였다. 이 때 기체가 피스톤에 행한 일은 어느 식으로 계산해야 하는가?
82. 어느 이상기체 1 ㎏을 일정 체적 하에 20℃로부터 100℃로 가열하는데 836 kJ의 열량이 소요되었다. 이 가스의 분자량이 2라고 한다면 정압비열은 얼마인가?
83. 공기 10 kg이 정적 과정으로 20℃에서 250℃까지 온도가 변하였다. 이 경우 엔트로피의 변화는 얼마인가? (단, 공기의 Cv = 0.717 kJ/kgK 이다.)
84. 공기가 20m/s의 속도로 풍차 속으로 유입되고, 6m/s의 속도로 유출된다. 공기 1kg 당 풍차가 한 일은?
85. 증기 터빈 발전소가 이론적으로 최대 45%의 효율을 얻고자 할때, 25℃의 강물을 응축기에서 사용할 때, 보일러의 온도는 몇 도 이상이어야 하는가?
86. 보일러 입구의 압력이 9800 kN/m2이고, 복수기의 압력이 4900 N/m2일때 펌프일은? (단, 물의 비체적은 0.001m3/㎏이다.)
87. 실린더내의 유체가 68 kJ/㎏의 일을 받고 주위에 36 kJ/㎏의 열을 방출하였다. 내부에너지의 변화는?
88. 냉동기에서 압축기 입구, 응축기 입구, 증발기 입구의 엔탈피가 각각 387.2 kJ/kg, 435.1 kJ/kg, 241.8 kJ/kg 일 경우 성능계수는?
89. 정상상태 정상유동 과정의 팽창밸브가 있다. 입구에 액체가 유입되며, 이 과정을 스로틀로 간주할 수 있다. 입구 상태를 1, 출구 상태를 2로 각각 나타낼 때, 다음 중 어느 관계식이 가장 정확한가?
90. -3℃에서 열을 흡수하여 27℃에 방열하는 냉동기의 최대 성능계수는?
91. 6 냉동톤 냉동기의 성적계수가 3 이다. 이때 필요한 동력은 몇 kW인가? (단, 1 냉동톤은 3.85 kW이다.)
92. 공기 표준 Brayton 사이클로 작동하는 이상적인 가스 터빈이 있다. 이 터빈의 압축기로 0.1 MPa, 300 K의 공기가 들어가서 0.5 MPa로 압축된다. 이 과정에서 175 kJ/kg의 일이 소요된다. 열교환기를 통해 627 kJ/kg의 열이 들어가 공기를 1100 K로 가열한다. 이 공기가 터빈을 통과하면서 406 kJ/kg의 일을 얻는다. 이 시스템의 열효율은?
93. 계가 온도 300 K인 주위로부터 단열되어 있고 주위에 대하여 1200 kJ의 일을 할 때 옳지 않은 것은?
94. 카르노사이클에 관한 일반적인 설명으로서 가장 옳지 않는 것은?
95. 표준 대기압은 대략 몇 kPa 인가?
96. 비열에 관한 설명으로 옳지 않는 것은?
97. 그림에서 t1 = 38℃, t2 = 150℃, t3 = 260℃이다. 이 사이클의 열효율은? (단, Cv = 0.172 ㎉/㎏㎉, Cp = 0.241 ㎉/㎏㎉ 이다.)
98. 이상기체의 등온 과정에서 압력이 증가하면 엔탈피는?
99. 여름철 외기의 온도가 30℃일때 김치 냉장고의 내부를 5℃로 유지하기 위해 3kW의 열을 제거해야 한다. 필요한 최소 동력은 얼마인가 ?
100. 직경 20 cm, 길이 5 m인 원통 외부에 5 cm 두께의 석면이 씌워져 있다. 석면 내면, 외면 온도가 각각 100℃, 20℃이면 손실되는 열량은 몇 kcal/h인가? (단, 석면의 열전도율은 0.1 kcal/mh℃ 로 가정한다.)
① [기본 공식] $C = \frac{m(z_1 + z_2)}{2}$
② [숫자 대입] $C = \frac{4(30 + 50)}{2}$
③ [최종 결과] $C = 160$ mm